膜盒式稱重測力傳感器
BCM-1型 膜盒式稱重傳感器
特點及用途:
尺寸小、低高度、全密封。
適用于空間有限的場合使用。
技術參數:
|
量程 |
50、100、200、500 kg 1、2、5、10、15、20、30 t |
輸入阻抗 |
735 ± 35 Ω |
|
靈敏度 |
2.0 ± 0.1 mv/V |
輸出阻抗 |
700 ± 3 Ω |
|
綜合精度 |
0.1 %F·S |
絕緣阻抗 |
≥ 2000 MΩ |
|
蠕變 |
±0.05 %F·S/30min |
激勵電壓 |
5 ~ 12 VDC |
|
非線性 |
±0.05 %F·S |
工作溫度范圍 |
-20 ~ ﹢70℃ |
|
滯后誤差 |
±0.05 %F·S |
允許過負荷 |
120 %F·S |
|
重復性誤差 |
±0.05 %F·S |
密封等級 |
IP67 |
|
零點溫度系數 |
±0.03 %F·S/10℃ |
材質 |
合金鋼 |
|
輸出溫度系數 |
±0.03 %F·S/10℃ |
線纜 |
φ5 x 2000 mm |
|
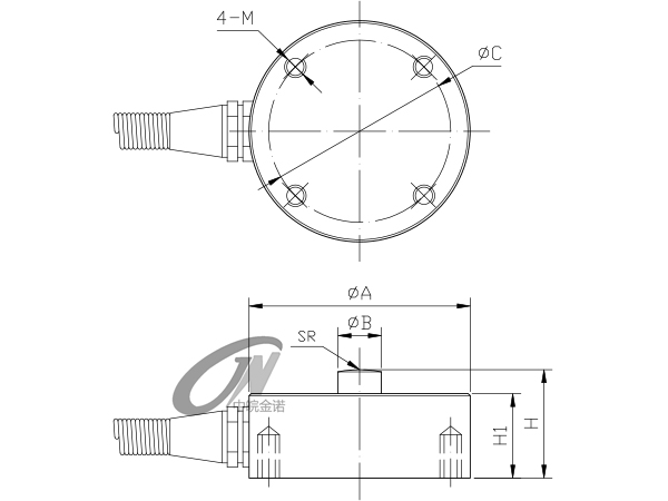
量程 |
ΦA |
ΦB |
H |
H1 |
ΦC |
M |
SR |
|
0.5 ~ 5 T |
51 |
10 |
25 |
19.5 |
42 |
M5 |
SR25 |
|
6 ~ 10 T |
88 |
18 |
47 |
42 |
72 |
M6 |
SR150 |
|
15 ~ 30 T |
127 |
25 |
70 |
62 |
90 |
M10 |
SR60 |





