膜盒式稱重測力傳感器
BCM-H1型 平面膜盒式稱重傳感器
特點及用途:
法蘭安裝、低高度、全密封,長期穩定性好。
技術參數:
|
量程 |
10、20、50、100、200、500 kg 1t、2t、3t |
輸入阻抗 |
735 ± 35 Ω |
|
靈敏度 |
2.0 ± 0.1 mv/V |
輸出阻抗 |
700 ± 3 Ω |
|
綜合精度 |
0.1 %F·S |
絕緣阻抗 |
≥ 2000 MΩ |
|
蠕變 |
±0.05 %F·S/30min |
激勵電壓 |
5 ~ 12 VDC |
|
非線性 |
±0.05 %F·S |
工作溫度范圍 |
-20 ~ ﹢70℃ |
|
滯后誤差 |
±0.05 %F·S |
允許過負荷 |
120 %F·S |
|
重復性誤差 |
±0.05 %F·S |
密封等級 |
IP66 |
|
零點溫度系數 |
±0.03 %F·S/10℃ |
材質 |
不銹鋼 |
|
輸出溫度系數 |
±0.03 %F·S/10℃ |
線纜 |
φ5 x 2000 mm |
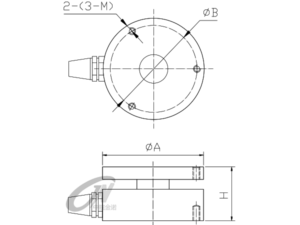
產品尺寸:
|
量程 |
A |
B |
H |
M |
|
10 ~ 200 kg |
56 |
49 |
22.5 |
M3 |
|
0.5 ~ 3t |
56 |
49 |
30 |
M4 |





